АО "Берг АБ"
Телефон: +7(495) 223-30-70
e-mail: skf@bergab.ru
Подшипник 6004 SKF
Радиальные подшипники
| Обозначение: | 6004 SKF |
| Вес кг: | 0.07 |
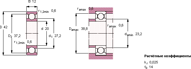
| Размер (dxDxh) мм: | 20x42x12 |
| Производитель: | SKF |
Шариковый однорядный радиальный подшипник 6004 производства SKF является универсальным подшипником. 6004 SKF входит в группу узловых частей, работающих по принципу качения. За счет устройства подшипника, где шариковые тела располагаются на поверхности наружных колец деталей, во время работы создается небольшой момент трения и соответственно не влияет на скорость вращения. Шарикоподшипник SKF выполняются из особо прочной подшипниковой стали и поэтому хорошо держит радиальные и осевые нагрузки.
Характеристики:
Диаметр отверстия под вал: 20мм
Внешний диаметр: 42мм
Габаритная ширина: 12мм
Грузоподъемность динамическая: C - 9,95кН
Грузоподъемность статическая: C0 - 5кН
Номинальная частота вращения - 24000 об/мин
Ограничение частоты вращения - 38000об/мин
Отзывы о 6004 SKF
Здесь пока нет отзывов. Оставьте отзыв первым.



Цена действительна только для товаров из наличия при заказе через интернет-магазин на условиях самовывоза