АО "Берг АБ"
Телефон: +7(495) 223-30-70
e-mail: skf@bergab.ru
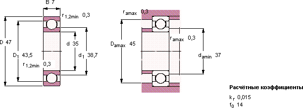
Подшипник 61807
Радиальные подшипники SKF
| Обозначение: | 61807 SKF |
| Бренд: | SKF |
| Диаметр отверстия (d) | 35.0 мм |
| Наружный диаметр (D) | 47.0 мм |
| Ширина (B) | 7.0 мм |
| Диаметр заплечика (d1) | ≈ 38.21 мм |
| Диаметр заплечика (D1) | ≈ 42.75 мм |
| Размер фаски (r1,2) | мин. 0.3 мм |
| Диаметр опорной поверхности вала (da) | мин. 37.0 мм |
| Диаметр гнезда корпуса (Da) | макс. 45.0 мм |
| Радиус галтели вала или корпуса (ra) | макс. 0.3 мм |
| Номинальная динамическая грузоподъёмность (C) | 4.36 кН |
| Номинальная статическая грузоподъёмность (C0) | 3.35 кН |
| Предел усталостной прочности (Pu) | 0.14 кН |
| Номинальная частота вращения | 30000.0 об/мин |
| Предельная частота вращения | 18000.0 об/мин |
| Коэффициент минимальной нагрузки (kr) | 0.015 |
| Расчётный коэффициент (f0) | 14.3 |
| Масса подшипника | 0.029 кг |
Подшипник 61807 — шарикоподшипники с глубоким жёлобом. Основные характеристики: Диаметр отверстия (d): 35.0 мм; Наружный диаметр (D): 47.0 мм; Ширина (B): 7.0 мм; Диаметр заплечика (d1): ≈ 38.21 мм; Диаметр заплечика (D1): ≈ 42.75 мм. Оригинальное изделие с гарантией качества. Доставка по России.
Отзывы о 61807 SKF
Здесь пока нет отзывов. Оставьте отзыв первым.


Цена действительна только для товаров из наличия при заказе через интернет-магазин на условиях самовывоза